盐度、溶解氧仪表电极安装、调试、使用说明
来源: 中通联达发布时间: 2015-09-02
盐度、溶解氧仪表电极安装、调试、使用说明
1、溶解氧使用方法:
1)电极存放
长期不使用的溶解氧电极,在保护帽内加入少量海绵或脱脂棉,加入少许清水,盖严拧紧,保持膜片湿润。
2)电极的活化
长期未使用的溶氧电极,取出后连接带仪表或活化器(另外配置购买),通电,正常30分钟电压值趋于稳定,完全稳定需要16小时以上活化时间。
3)标定
标定和测量时均要求电极头部向下。首先标定温度,温度计测量空气温度,将测量值输入仪表菜单中,传感器校正的温度校正,通过↑↓上下键输入测量值,带电压值稳定确认→键后,←键退出。(具体参见说明书)
膜片擦拭干净无水,置于空气中,查询空气饱和氧浓度表(说明书附件),获得对应温度的氧气值,将测量值输入仪表菜单中,传感器校正的溶解氧校正,通过↑↓上下键输入测量值,带电压值稳定确认→键后,←键退出。(具体参见说明书)标定结束可以正常使用。如果电极未经完全活化,测量值可能出现偏差,需要待活化结束后重新标定。
注意:活化过程一定保持电极与仪表正确接线,并保持通电状态。
4)干扰电极判断
干扰现象比较少出现,可按以下方法判断。在溶解氧与ph同时测量时,如果出现溶解氧或ph数值下降,可先取出ph,看溶解氧是否回升,如回升,则溶解氧受ph干扰,溶解氧电极存在问题。
反之,取出溶解氧,看ph是否回升,如回升,则溶ph受解氧受干扰,ph电极存在问题。
5)故障现象
溶解氧使用1-2星期,如出现数值上升至20,则密封泄露。联系返厂维修。
6)维护
传感器式精密测量仪器,需要定期维护,自动清洗装置有助于延长维护的周期,但不能代替人工维护。人工维护视水质清洁程度,定期取出传感器,用软布清洁膜头,去除污物,保持测量部分和水体的直接接触。不要使用硬质尖锐物体清理,以免损坏传感器。
7)本溶解氧电极不许更换膜帽和电解液,电极本体为一次性免维护,使用寿命6-12个月以上,质保6个月。维修由厂家操作,以免损坏。电缆外皮PVC材质,不能长期经受水浸,如需长期浸水,请向厂家订购防水电缆。
2、盐度电极使用方法
1)盐度电极活化
盐度电极本身不存在活化,由于加工过程中,手工接触油脂、汗
渍会残留电极,通电在水中浸泡后,污物分解剥离,导致刚开始读数与后续读数存在偏差,待稳定后即可正常使用。
2)电极防护
电极采用防水电缆,能长期经受水浸。
3)常规海水盐度30‰-50‰,常见为33‰。
4)标定
不同地域海水中盐分组成不一致,以监测的海水(盐水)为基准进行单点标定。
5)温度校正
校正盐度电极前,请确认温度已经矫正过。
6)标定方法
推荐使用单点标定。即对实际使用海水进行标定。
高端电极可以采用2点标定,对于常用单一浓度海水采用2点标定,取监测海水例如33‰,仪表菜单中盐度传感器校正点1通过↑↓上下键输入测量值33,带电压值稳定确认→键后,←键退出。(具体参见说明书)
稀释该海水至5‰以下,例如常用3‰,仪表菜单中盐度传感器校正点,2通过↑↓上下键输入测量值3,带电压值稳定确认→键后,←键退出。(具体参见说明书)
盐度电极的贮存: 电极(长期不用)应贮存在干燥的地方。电极使用前必须放入(贮存)在蒸馏水中数小时,经常使用的电极可以放入(贮存)在蒸馏水中。
7)电极的清洗
①.可以用含有洗涤剂的温水清洗电极上有机成分污垢,也可以用酒精清洗。
②.钙、镁沉淀物最好用10℅柠檬酸或1%稀盐酸。
③.镀铂黑的电极,只能用化学方法清洗,用软刷子机械清洗时会破坏镀在电极表面的镀层(铂黑)。注意:某些化学方法清洗可能在生活破坏被轻度污染的铂黑层。
④.光亮的铂电极,可以用软刷子机械清洗。但在电极表面不可以产生裂痕,绝对不可以使用螺丝起子之类硬物清理电极表面,甚至在用软刷子清洗时也要特别注意。
8)在铂电极应用中,铂表面往往先作电镀处理,生成一种黑色“铂绒”,以增加活性和表面积,故称铂黑电极。铂黑可增加电极反应速率,加速达到平衡;多孔的铂黑增加了电极的表面积,使电流密度减小,使极化效应变小,电容干扰也降低了。 不镀铂黑或镀得不好的铂黑电极,会产生很大的测量误差。铂黑电极存放期间要泡在蒸馏水中不宜干放。如果发现铂黑电极污染或失效,可浸入10%硝酸或盐酸溶液中二分钟,然后用蒸馏水冲洗干净再测量。
注意
盐度电极使用及标定时底部不要接触水体底部,悬空3-5cm以上,以提高精度。
如果测量管内存在污物,请勿用硬物清理,应用清水冲洗干净。
③ 发生测量误差,往往由于水体在温度变化时产生气泡,吸附于传感器管壁,影响测量。搅动抖落气泡即可。
3、pH电极的维护
1)安装前先检查玻璃电极的球泡是否完好,裂的或破的玻璃电极将无法使用。安装过程中要注意保护球泡,禁止用手直接擦洗电极玻璃球,或用硬物刮玻璃球。
2) pH电极禁止将电极干放或保存在蒸馏水中。
3)当pH电极出现结钙时,可以将电极进入1%的稀酸溶液中,待结钙完全溶解后,再将pH电极放在蒸馏水中浸泡半个小时,进行活化。
4、仪表的标定
仪表出厂前均经过严格标定。仪表完成现场安装、接线以后,使用前应再进行一次标定。对正常运行的仪表也应定期标定,一般一个月应进行一次标定。仪表在更换电极、更换变送器,或检修、长时间停用之后,均应进行标定后再投入使用。
标定前应确认仪表的接线正确,然后将电极电缆与pH电极连接好并给仪表通电。
5、pH标定方法
仪表的标定采用“两点标定法”。即采用两种不同pH值的标准缓冲溶液对仪表进行校准和调整。一般选用的是pH7.0和pH4.0(25℃时)的标准缓冲溶液。
标定步骤如下:
1)用蒸馏水将电极冲洗干净并用滤纸吸干电极上的水分,然后放入pH7.0缓冲溶液中,静置2分钟以使仪表显示稳定。必要时调节变送器软件标定程序,输入显示显示7.0pH。
2)将电极取出,用蒸馏水将电极冲洗干净并用滤纸吸干电极上的水分,再放入pH4.00缓冲溶液中,静置2分钟以使仪表显示稳定。必要时调节变送器的“范围”调节器,使仪表显示4.00 pH。
3)、重复步骤1和2一次,以尽量使两点均准确标定。
标定完成后,用蒸馏水将电极冲洗干净并用滤纸吸干电极上的水分,重新将电极安装好,即可投入正常使用。
6、仪表的运行
1)仪表标定完毕,将电极与检测器安装好,即可通电,投入运行。
2)仪表短时间停用时,切断仪表供电电源即可。电极不必拆下,可浸泡在测量溶液中。仪表长期停用(如检修等)时,应将电极拆下取出,用纯净水冲洗干净后用滤纸吸干电极上的水分,将电极头部装上盛有保护液(饱和KCl溶液)的塑料保护套,妥善保存。电极的引线端应保持干燥、洁净,并应戴上电极的保护螺帽,以防止污染或损坏电极引线端。
7、维护与检修
水质分析仪表都属于科学仪器。一般精密度较高,信号较弱,对现场安装使用都有一定要求。
水质分析仪表种类也很多,需经常进行日常维护,维护一般包括清洗、校正、保养等。根据分析仪表的不同日常维护也有所区别。
变送器使用的要求、安装位置和工作情况比较复杂,为了使变送器正常工作,维护人员需要对变送器进行定期维护,维护时请注意如下事项:
变送器安装在室外时,请检查变送器安装箱体是否有漏水现象;
检查变送器的工作环境,如果温度超出变送器的工作稳定范围,请采取相应措施,避免变送器因此造成损坏或降低使用寿命;
变送器的外壳是塑料外壳,不要用坚硬物体刮擦,请使用软布和柔和的清洁剂清洁外壳,注意不要让湿气进入变送器内部;
检查变送器接线端子上的接线是否牢固,注意在拆卸接线盖前将220V交流电源断开。
检查传感器的电缆,正常工作时电缆不应绷紧,否则容易使电缆内部电线断裂,引起传感器不能正常工作;
检查传感器的外壳是否因腐蚀或其他原因受到损坏; 检查传感器的自清洗孔是否被堵住。
本仪表性能可靠,日常维护量不大,故障率也较低。如果仪表不能正常运行,不能正常标定或响应异常时,一般故障都出现在电极系统上,而变送器故障较少。
各系统的故障检查和处理方法说明如下。
1)电极系统的故障检查
1.1)电极的外观检查:(取出电极并用清水冲洗干净后观察)
①.电极底部敏感玻璃球泡是否完好,如破损则电极报废。
②.电极内外玻璃杆是否完好,如损坏则电极报废。
③. 电极内部电解液是否有混浊、变黄,是否有隔膜变黑的现象。如果有上述现象之一则建议更换新电极。
④.拧下电极引线螺帽,看插头是否洁净,如果较脏用丙酮擦洗并风干。
1.2)电极零点及斜率的检查:(电极损坏或性能变差表现为零点漂移和斜率变化)
①.电极零点的检查:将电极浸入7.0pH的标准缓冲溶液中,仪表如显示在7.0±的0.5 pH 以内则电极零点正常,如偏离大于7.0的±0.5 pH 则电极零点漂移,建议更换新电极。
②.电极斜率的检查:将电极浸入7.0pH的标准缓冲溶液中,调节软件标定使仪表显示7.0,然后将电极洗净浸入9.18pH的标准缓冲溶液中,仪表稳定后如显示小于8.5 pH则电极斜率变小,即使调节软件标定设定也调节不过来,就需对电极进行处理或更换新电极。
2)变送器的检查与维护
变送器的安装现场不应有强电磁干扰和剧烈振动,也不应有强腐蚀性气体。变送器内部应保持干燥,如发现液晶显示屏出现多个小数点,或是显示的数字出现多余笔画,一般并非变送器故障,而是其受潮所致,应将变送器取下进行干燥处理(用电吹风或灯泡烘干)。
变送器的故障率较低。如果确需对其进行检查,请按下述步骤进行。如果变送器出现故障,可送往我厂修理或更换。
3)变送器的检查
检查前的准备:
需要24V 直流电源、直流毫伏信号发生器和电流表等。 打开仪表外壳的后盖,松开变送器的安装螺钉,将其卸下取出仪表开箱时要轻拿、轻放,不要敲击与摔打。开箱后请按照装箱单检查仪表装箱是否齐全和完好。仪表开箱后应按照“仪表的保存”妥善保存。电极系精密玻璃制品,应妥善保管,不要碰撞和剧烈振动。在仪表正式安装、使用之前不要把电极头部的塑料保护套取下,更不能将保护套内的保护液倒掉
安 装
注意事项
| 仪器应选择安装在室内或有防护装置的位置,周围不得放置易燃易爆的物品。 仪器安装位置应选择便于用户及安装维护人员阅读仪器铭牌,便于 使用、维护及检修的地方。 所有电力和管道连接必须符合国家和地方标准。仪表电源前端必须 安装绝缘开关或者电路切断开关。 为了安全和避免外部信号对仪器造成干扰,仪表电源线应接在相应 规格、带有地线标志、符合电器标准的插座内,且地线须确保良好 接地。 仪器的内部电路详见接线图,电压和功率的额定值详见产品上的铭 牌,用户电源容量必须满足正常使用仪器的要求。 |
变送器安装注意事项: 避免变送器受阳光直射、避免变送器发生震动; 应将变送器安装在稍高于操作者平视位置,便于操作者浏览面板或 进行控制操作; 为变送器箱体的开启和维护留出足够的空间。 | |
传感器安装注意事项: 将传感器安装在工艺的恰当位置,以保证获得具有代表性的测量结果。 将传感器安装在易于触及的位置,以方便对传感器进行定期清洁维护。 应避免将传感器安装在产生气泡聚集的位置,以防止干扰信号的产生。 将传感器安装在有代表性、工艺混合良好的取样点附近,传感器和取样点之间的距离推荐最大值不超过1.5m(5英尺)。 校准以及正常的使用过程中,进行取样实验室分析仪和仪器读数结果进行比较是有必要的。不正确的取样操作是导致测量数据有误的常见原因。 |
变送器安装 盘装式外形尺寸
主视图 侧视图 |
侧视安装示意图 |
安装紧固 在任何一块厚度为1/16英寸(1.5mm)至3/8英寸(9.5mm)的面板上,开出一个92mm×92mm的矩形切口。将仪器后部从开口正面插入,后部锁紧即可。
|
壁挂式外形尺寸 |
主视图 侧视图 |
安装示意图 |
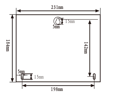
安装紧固 变送器背后有三个孔,尺寸如图所示,其中上面的孔用于悬挂,下面两个孔用于螺栓固定。 箱体安装
流通池式安
浮漂式安装
|
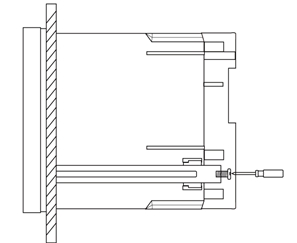
电极安装
流通式安装
1、电极 2、压紧环 3、流通杯 4、“U”形管 |
2 首先用焊接或管套连接的方式将“U”形管与流通杯连接,使其牢固。注意在焊接时不要把电极放在流通杯里面,避免电极被因高温而损坏。
2 “U”形管的高度必须高于流通杯的高度,从而在断水的情况下,保证流通杯里仍然有水,避免电极长时间断水通电。
2 用压紧环将电极与流通杯的螺纹相接拧紧,避免水流溢出。
2 流速控制在150~200mL/min。
2 电极接上仪表并通电24小时后在空气中标斜率。
|
管道插入式安装
1、电极 2、压紧环 3、专用底座 4、管道
|
2 在管道适当位置处开Φ35圆孔。
2 将专用底座焊接在管道孔处,焊接时焊点应饱满坚固。
2 电极放入专用底座内。
2 用压紧环把电极与专用底座的螺纹相接拧紧,避免水流溢出。
2 流速控制在150~200mL/min。
2 电极接上仪表并通电24小时后在空气中标斜率。
|
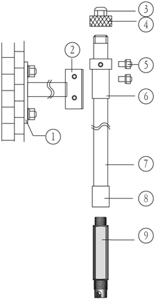
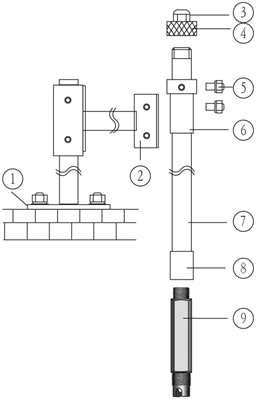
支架浸入式安装(池顶)
1、底座 2、支架托 3、防水头 4、管盖 5、锁定螺钉M6×10 6、套管 7、安装管 8、连接套 9、电极
|
2 固定底座 在池壁适当位置打入四个M10钢制膨胀螺栓。(尺寸见附录1)
2 连接(如左图所示) 将电极的电缆依次穿过连接套、安装管、套管、管盖和防水头; 将电极的螺纹与连接套的螺纹孔相接并拧紧且需密封处理; 不锈钢连接套则与安装管相连;
2 紧固 将安装管穿过套管,根据现场测量深度,通过两个锁定螺钉将套管固定在安装管上的适当位置; 将管盖与安装管拧紧;将防水头拧紧,固定电缆,防止雨水和其他物质进入安装管。
2 安装 将安装好的电极安装管的套管装入安装在池壁上的支架托上,并用两个M6螺栓固定。
注意:在连接电极与连接管时,请旋转连接管而不要旋转电极,否则电极的电缆有可能被损坏,同样在连接安装管与连接管时请旋转安装管。 |
支架浸入式安装(池壁)
1、底座 2、支架托 3、防水头 4、管盖 5、锁定螺钉M6×10 6、套管 7、安装管 8、连接套 9、电极
| 2 固定底座 在池壁适当位置打入四个M10钢制膨胀螺栓。(尺寸见附录1)
2 连接(如左图所示) 将电极的电缆依次穿过连接套、安装管、套管、管盖和防水头; 将电极的螺纹与连接套的螺纹孔相接并拧紧且需密封处理; 不锈钢连接套则与安装管相连;
2 紧固 将安装管穿过套管,根据现场测量深度,通过两个锁定螺钉将套管固定在安装管上的适当位置; 将管盖与安装管拧紧;将防水头拧紧,固定电缆,防止雨水和其他物质进入安装管。
2 安装 将安装好的电极安装管的套管装入安装在池壁上的支架托上,并用两个M6螺栓固定。
注意:在连接电极与连接管时,请旋转连接管而不要旋转电极,否则电极的电缆有可能被损坏,同样在连接安装管与连接管时请旋转安装管。 |
仪表接线说明
1、按照下述接线说明,将变送器各端子对应接好。注意:接线必须可靠、正确,经检查无误后仪表方可通电。
接线说明:仪表的接线端子采用专用端子,性能优良,接线简便。除剥线外,所需的唯一工具只是一把扁平口的小锣丝刀。
参见图10,首先将锣刀沿正面方孔插入并稍用力压下,使端子的正面接线口内的弹簧完全打开,然后将已剥好的导线由正面方孔插入(若使用多股线则绝不能使之分叉,要使多股线全部入孔。同时,导线的绝缘外皮要进入端子的方孔,以免发生触电)。松开锣刀后,线即接好。此时用手轻拉导线,若拉不出即接好。最后作一下检查,可用手将导线接线孔处压弯,要求不能看到剥开的导线内芯线。故导线不宜剥开过长。但切忌剥线过短,接线时将绝缘层压住导致线路断路。剥线长度以5-10mm为宜。
一般故障的处理方法
仪表出现故障,可参照表3“一般故障的处理方法”进行相应的检查处理。无法处理的,可送我厂检修或更换。
表3 一般故障的处理方法
故障现象 | 可能出现的故障区域 | 检查方法及处理办法 |
无显示 | 电源开路 电源线断线 | 用万用表检查电源接线 |
被测溶液变化 而显示不变 | 电极绝缘不良 电极污染或老化 电极破碎 电极引线短路 变送器出毛病 | 更换新电极 电极进行再生 更换新电极 检查引线 检修变送器 |
显示“1” | 电极绝缘不良 被测溶液pH值超出量程 接线错误或接触不良 | 更换或清洗电极 用实验室pH计检查被测溶液 检查接线 |
显示振荡不稳 | 电极隔膜被堵 有干扰产生 变送器出故障 | 清洗电极 检查接地 检修变送器 |
“零点”不能调节 | 参比电极老化 电极高温老化 标准液失效 | 更换电极 更换电极 配制新标准液 |
“范围”不能调节 | 电极老化 标准液失效 | 更换电极 配制新标准液 |
测量误差大 | 电极被污染 电极线绝缘下降 变送器受潮 地线不当 脱水物质包围电极 流速不当 | 清洗电极 更换电极线 干燥变送器 更换接地点 电极不可浸入脱水物质 调节样品流速 |
显示多个小数点,有“+”或“-”出现 | 变送器受潮 | 干燥变送器 |
八、装箱、运输与保存
(1)仪表的装箱组成
1)无线数据采集终端 一套
2)原电池溶解氧(含水温)传感器 一套
3)盐度传感器 一套
4)PH传感器 一套
5)GPRS上传模块 一套
6)安装结构 一套
7)安装使用说明书 一份
8)产品合格证 一份
9)装箱单 一份
注:仪表的装箱组成以装箱单为准。
(2)仪表的运输
仪器在运输时应妥善包装,在包装箱上应标注“小心轻放”字样和“向上”标记。
(3)仪表的保存
仪表在安装前必须保存在库房内,环境温度0—45℃,相对湿度不大于85%,周围不含腐蚀性气体。





我们在哪儿
服务热线:0532-80862336
邮箱客服:zhongtonglianda@ztldcn.com